Introduction:
The project is based on protection of our luggage while travelling. Taking the help of modern engineering and technology we have designed a bag in which a secret GPS tracker is attached. By using this bag we can get the exact geographical location of a place. If unfortunately there is some trouble with the luggage, we can track its location and find it again by getting the exact latitude and longitude from the GPS tracker present inside it.
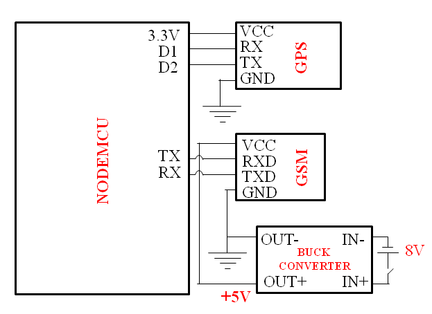
Block diagram:

Components required:
- Battery
- Switch
- Nodemcu
- Buck converter
- GPS module
- GSM module
- 7805 voltage regulator
- Connecting wire
- Charger
Working:
The traveler has to carry the GPS tracker containing bag with him while going away from home. Before starting the journey he has to switch the tracker on. This system operates with a battery. After getting connected with the satellite, the GPS module sends the exact latitude and longitude values to nodemcu. Nodemcu sends the data as a text message by the help of a GSM module to a registered mobile phone. When these values are fed to Google map, we get the exact geographical location of that place. If unfortunately there is some trouble with the luggage, now we can reach at its location and rescue it. This system delivers the current location values in regular interval of time.
Circuit diagram:

Advantage:
In this way we can protect our valuable luggage while travelling.
Microcontroller Code:
// Su-Din Technology contact 9861004895
// Interfacing GPS and GSM with Nodemcu
#include <TinyGPS++.h>
#include <SoftwareSerial.h>
const int RXPin = 4, TXPin = 5;
const uint32_t GPSBaud = 9600;
TinyGPSPlus gps;
SoftwareSerial GPS(RXPin, TXPin);
char phone_no[]="9861004895"; // sms will be delivered to this number
void setup(){
Serial.begin(9600);
//delay(1500);
GPS.begin(GPSBaud);
//delay(1500);
//Enable textmode of GSM
Serial.println("AT+CMGF=1");
delay(5000);
}
void loop(){
while (GPS.available() > 0){
gps.encode(GPS.read());
if (gps.location.isUpdated()){
Serial.print("AT+CMGS=\"");
Serial.print(phone_no);
Serial.println("\"");
delay(200);
Serial.print(" LATITUDE= ");
Serial.print(gps.location.lat(), 6);
Serial.print(" LONGITUDE= ");
Serial.println(gps.location.lng(), 6);
delay(20000);
//Sends CTRL+Z end of message
Serial.write(0x1A);
//delay 20 second after getting a new message
delay(20000);
}
}
}
Designer:
Er. Anil Kumar Prusty
Phone No. :- 9861004895